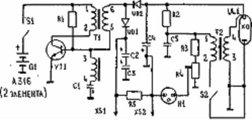
Детали "ЗАЩИТНИКА" смонтированы на печатной плате из фольгированного стеклотекстолита толщиной 0,8-1,5 мм и размерами 54-90 мм. Элементы питания расположены на плате между контактными пластинами из пружинистой бронзы или латуни. Корпус выполнен из ударопрочного полистирола: габариты - 98x62x28 мм. Высота изоляционного основания электродной системы - 22 мм. Электроды XS1 и XS2 выступают над основанием на 3 мм, расстояние между ними - 10 мм.Спонсируемая статья в потоке СМИ